MEITA GROUP
中文版
|
ENGLISH
|
E-MAIL
完美wanmei(中国)
关于我们
完美平台登录入口
产品中心
技术能力
联系我们
产品中心
涡轮增压器类
耐热钢
D5S
GGV SiMo
GGG SiMoCr
GGG SiMo
GGG 40
GG 25
发动机组件
GGG SiMo(乘用车)
D5S(乘用车)
GGG SiMo(卡车)
其他类别
轴承盖
柴油发动机组件
返回上一层
上一个:GGG SiMo(卡车)-样件2
下一个:GGG SiMo(卡车)-样件4
首页
>
产品中心
>
发动机组件
>
GGG SiMo(卡车)
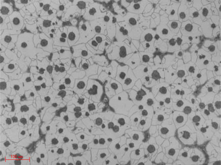
详细介绍
Unetched
Etched
雷火竞技官网进入
|
雷火·竞技(中国区)电竞官网
|
时博·体育
|
时博足球
|
完美·官方端网站登录入口
|
沙巴足球虚拟联赛
|
问鼎电子娱乐下载安装
|
乐虎网站
|
江南在线注册
|